현대모터 삼상유도전동기 30HP 22KW 2P 380V 수평형 B3
판매가격은 부가가치세 포함 가격입니다.
연락처
전화: 051-903-1302
휴대폰: 010-9311-1302
cktech2016@gmail.com
씨케이테크(cktech) 선박/해양 플랫폼
씨케이테크(cktech) 선박/해양 장비 쇼핑몰
제품 구매는 신용카드,현금,기타 페이 등으로 결제 가능 하며,
현금 결제 시 (무통장 입금/실시간 계좌 이체 / 가상계좌 입금)
사업자 지출 증빙용 현금영수증(세금계산서 동일 효력)
발급 가능합니다.
가상계좌와 실시간계좌이체의 경우에는 결제 시 결제창을
통해 사업자 지출 증빙용 현금영수증 발행이 가능 합니다
무통장 입금 시 현금 영수증 신청 화면
PC 화면

휴대폰 화면

현대 모터
수평형(Horizontal) / B3
출력: 30HP (22Kw)
극: 2P(2POLE)
RPM: 3540
전압: 380V
전류: 60HZ
보호등급: IP55
주위온도(AMB) 40℃
무게: 177KG
원산지: 현대모터 베트남 OEM
주요실적
포스코 그룹
한국타이어그룹
포스코케미칼
포스코피엠에스
다산기공(방위산업체)
케펠조선소(싱가포르: 세계 TOP 5 해양플랜트 개조/수리 조선소)
중국 WEIHAI AORUISI GENERAL EQUIPMENT
타사 메이커 호환 가능합니다
(제품사양에 따라 호환 제품은 달라질 수 있습니다)
예)효성, 하이젠, ABB, 지멘스 등 기타
타사메이커 호환 가능 제품사양
출력: 0.75kw/1hp - 160kw/214hp
취부타입: 수직형(Plange/Vertical : B5, V1), 수평형(Horizontal , B3)
극(Pole): 2/4/6/8P
모터 개조 제작 및 플랜지 교체 제작 가능합니다
예) 수평형(B3) --> 수평수직형(B3B5) 개조제작
예) 플랜지 교체 제작:
플랜지 P. C. D 215(표준제품 ) ---> 플랜지 P. C. D 165(플랜지 교체 제작 제품)
모터 샤프트(회전축) 교체 제작 가능합니다
예) 샤프트 길이연장 150mm --> 200mm
예) 샤프트 길이연장 110mm --> 140mm
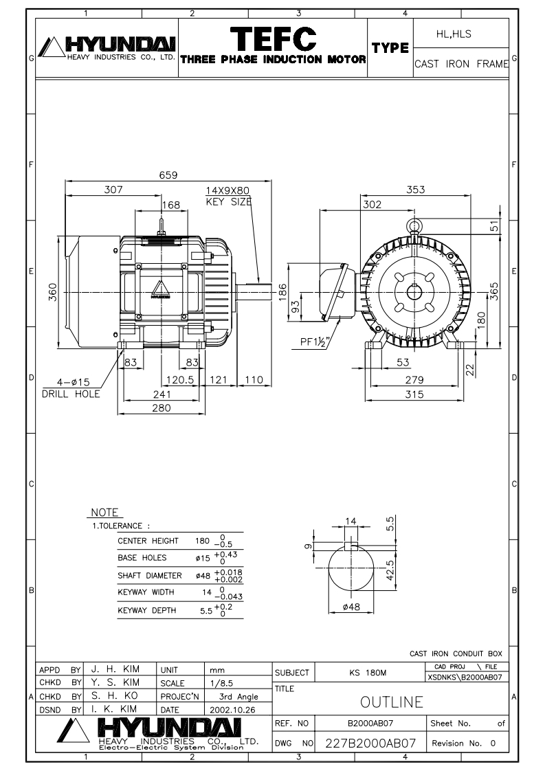
도면

사양(Specification)

성능곡선도(Performance Curve)

선박용/ 육상용 모터(0.75KW - 160KW / 1HP - 214HP, 380/440V, 50/60HZ, 2/4/6/8P)
--> 수평형(Horizontal), 수직형(Plange/Vertical)

모터 창고 전경
선박용/ 육상용 모터(0.75KW - 160KW / 1HP - 214HP, 380/440V, 50/60HZ, 2/4/6/8P)
--> 수평형(Horizontal), 수직형(Plange/Vertical)

선박용/ 육상용 모터(0.75KW - 160KW / 1HP - 214HP, 380/440V, 50/60HZ, 2/4/6/8P)
--> 수평형(Horizontal), 수직형(Plange/Vertical)

선박용/ 육상용 모터(0.75KW - 160KW / 1HP - 214HP, 380/440V, 50/60HZ, 2/4/6/8P)
--> 수평형(Horizontal), 수직형(Plange/Vertical)

연락처
전화: 051-903-1302
휴대폰: 010-9311-1302
cktech2016@gmail.com
씨케이테크(cktech) 선박/해양 플랫폼
씨케이테크(cktech) 선박/해양 장비 쇼핑몰
※ 배송안내
1. 산간/도서 지역은 추가 배송료가 발생 할 수 있으며, 배송기간이 연장 될 수 있습니다.
2. 재고부족시 전화 또는 문자로 안내드리며, 배송기간이 변경 됩니다.
3. 화물배송을 원칙으로 하며, 경동, 대신화물로 배송해 드립니다.
(업체상황에 따라 배송업체가 변경 될 수 있습니다.)
4. 배송료 추가 발생 알림 : 화물배송(화물지점에서 찾는 화물 제비용) / 해외배송 / 도서산간 배송
※ 교환 및 반품정보
1. 상품의 교환 및 반품은 물품 수령 후 3일 이내에 신청 가능하며, 고객센터(A/S센터) 문의 후 진행 하시기 바랍니다.
2. 배송이 완료된 상품의 고객 변심에 의한 교환/반품인 경우 왕복배송비를 고객님께서 부담하셔야 합니다.
3. 상품불량이 아닌 단순 변심에 의한 교환 및 반품을 원하실 경우에는 박스개봉 및 사용을 금지합니다.
4. 상품 자체의 이상이 아닌 경우, 개봉/조립/사용/설치/기타 오염 등으로 인해 상품가치가 훼손된 때에는 교환/반품되지 않습니다.
(박스 훼손 상품 반품불가)
5. 상품 자체의 이상인 경우, 제조사의 사후처리 기준에 따라 교환/반품 처리해 드립니다.
6. 유료반송되는 상품의 반송료는 발송요금과 다르며 지역에 따라 차이가 날 수 있습니다.
7. 교환/반품/환불/추가배송료에 관해서는 반드시 고객센터(A/S센터) 문의 후 진행 하시기 바랍니다.
8. 모든 상품은 제품 향상을 위해 예고없이 색상이나 디자인이 변경 될 수 있습니다.
현대모터 삼상유도전동기 30HP 22KW 2P 380V 수평형 B3
판매가격은 부가가치세 포함 가격입니다.
연락처
전화: 051-903-1302
휴대폰: 010-9311-1302
cktech2016@gmail.com
씨케이테크(cktech) 선박/해양 플랫폼
씨케이테크(cktech) 선박/해양 장비 쇼핑몰
제품 구매는 신용카드,현금,기타 페이 등으로 결제 가능 하며,
현금 결제 시 (무통장 입금/실시간 계좌 이체 / 가상계좌 입금)
사업자 지출 증빙용 현금영수증(세금계산서 동일 효력)
발급 가능합니다.
가상계좌와 실시간계좌이체의 경우에는 결제 시 결제창을
통해 사업자 지출 증빙용 현금영수증 발행이 가능 합니다
무통장 입금 시 현금 영수증 신청 화면
PC 화면

휴대폰 화면

현대 모터
수평형(Horizontal) / B3
출력: 30HP (22Kw)
극: 2P(2POLE)
RPM: 3540
전압: 380V
전류: 60HZ
보호등급: IP55
주위온도(AMB) 40℃
무게: 177KG
원산지: 현대모터 베트남 OEM
주요실적
포스코 그룹
한국타이어그룹
포스코케미칼
포스코피엠에스
다산기공(방위산업체)
케펠조선소(싱가포르: 세계 TOP 5 해양플랜트 개조/수리 조선소)
중국 WEIHAI AORUISI GENERAL EQUIPMENT
타사 메이커 호환 가능합니다
(제품사양에 따라 호환 제품은 달라질 수 있습니다)
예)효성, 하이젠, ABB, 지멘스 등 기타
타사메이커 호환 가능 제품사양
출력: 0.75kw/1hp - 160kw/214hp
취부타입: 수직형(Plange/Vertical : B5, V1), 수평형(Horizontal , B3)
극(Pole): 2/4/6/8P
모터 개조 제작 및 플랜지 교체 제작 가능합니다
예) 수평형(B3) --> 수평수직형(B3B5) 개조제작
예) 플랜지 교체 제작:
플랜지 P. C. D 215(표준제품 ) ---> 플랜지 P. C. D 165(플랜지 교체 제작 제품)
모터 샤프트(회전축) 교체 제작 가능합니다
예) 샤프트 길이연장 150mm --> 200mm
예) 샤프트 길이연장 110mm --> 140mm
도면

사양(Specification)

성능곡선도(Performance Curve)

선박용/ 육상용 모터(0.75KW - 160KW / 1HP - 214HP, 380/440V, 50/60HZ, 2/4/6/8P)
--> 수평형(Horizontal), 수직형(Plange/Vertical)

모터 창고 전경
선박용/ 육상용 모터(0.75KW - 160KW / 1HP - 214HP, 380/440V, 50/60HZ, 2/4/6/8P)
--> 수평형(Horizontal), 수직형(Plange/Vertical)

선박용/ 육상용 모터(0.75KW - 160KW / 1HP - 214HP, 380/440V, 50/60HZ, 2/4/6/8P)
--> 수평형(Horizontal), 수직형(Plange/Vertical)

선박용/ 육상용 모터(0.75KW - 160KW / 1HP - 214HP, 380/440V, 50/60HZ, 2/4/6/8P)
--> 수평형(Horizontal), 수직형(Plange/Vertical)

연락처
전화: 051-903-1302
휴대폰: 010-9311-1302
cktech2016@gmail.com
씨케이테크(cktech) 선박/해양 플랫폼
씨케이테크(cktech) 선박/해양 장비 쇼핑몰
※ 배송안내
1. 산간/도서 지역은 추가 배송료가 발생 할 수 있으며, 배송기간이 연장 될 수 있습니다.
2. 재고부족시 전화 또는 문자로 안내드리며, 배송기간이 변경 됩니다.
3. 화물배송을 원칙으로 하며, 경동, 대신화물로 배송해 드립니다.
(업체상황에 따라 배송업체가 변경 될 수 있습니다.)
4. 배송료 추가 발생 알림 : 화물배송(화물지점에서 찾는 화물 제비용) / 해외배송 / 도서산간 배송
※ 교환 및 반품정보
1. 상품의 교환 및 반품은 물품 수령 후 3일 이내에 신청 가능하며, 고객센터(A/S센터) 문의 후 진행 하시기 바랍니다.
2. 배송이 완료된 상품의 고객 변심에 의한 교환/반품인 경우 왕복배송비를 고객님께서 부담하셔야 합니다.
3. 상품불량이 아닌 단순 변심에 의한 교환 및 반품을 원하실 경우에는 박스개봉 및 사용을 금지합니다.
4. 상품 자체의 이상이 아닌 경우, 개봉/조립/사용/설치/기타 오염 등으로 인해 상품가치가 훼손된 때에는 교환/반품되지 않습니다.
(박스 훼손 상품 반품불가)
5. 상품 자체의 이상인 경우, 제조사의 사후처리 기준에 따라 교환/반품 처리해 드립니다.
6. 유료반송되는 상품의 반송료는 발송요금과 다르며 지역에 따라 차이가 날 수 있습니다.
7. 교환/반품/환불/추가배송료에 관해서는 반드시 고객센터(A/S센터) 문의 후 진행 하시기 바랍니다.
8. 모든 상품은 제품 향상을 위해 예고없이 색상이나 디자인이 변경 될 수 있습니다.


간편결제 가능