선박용 모터 호환모터 대체품 모터 삼상유도전동기 수직형 B5 효성 현대 ABB 지멘스 미쓰비씨 Hoyer Yaskawa Fuji TMEIC WEG GE Allen-Bradley Emerson 기타 30KW 40HP 2P 440V 60HZ IP44 B5 V1 Flange Type

해외모터 완벽대체! 국산 모터
[주요 특징]
- ABB, Siemens, Nishishiba 등 해외 글로벌 브랜드 모터 100% 호환
- 국내 기술력으로 설계·제작된 믿을 수 있는 국산 모터 플랜지, 샤프트, 설치 규격까지 완벽 대응
- 해외 제품 대비 합리적인 가격, 빠른 납기
[왜 국산 대체품인가요?]
- 높은 호환성 기존 ABB, Siemens, 모터와 플랜지, 축, 취부 등 치수 표준 완전 일치
- 교체 시 별도의 추가 가공이나 설비 변경 불필요
- 탁월한 경제성과 가성비
- 해외 모터 대비 가격 경쟁력 확보
- 신속한 서비스 국내 제조·공급
[성공 교체 사례]
남동 발전 미쓰비시 모터 --> 국산 모터로 교체
추가 작업 불필요 교체 후 운전 성능, 내구성 모두 고객사 만족
글로벌 메이커 호환 모터 대체 모터
국산 모터 삼상유도전동기
효성 / 현대 / ABB / 지멘스 / 미쓰비씨 / YASKAWA / FUJI / HOYER /TMEIC / WEG / GE Allen-Bradley Emerson
기타 모터 메이커 호환
선박용 수직형 30KW 40HP 2P 440V
IP44 B5(V1) 플랜지형


연락처로 납기 확인 후 주문 바랍니다
연락처
전화: 051-903-1302
휴대폰: 010-9311-1302
email: sales@mrovia.com
엠알오비아 선박/해양 플랫폼
현대 모터
선박용
수직형(Vertical) / B5, V1
출력: 30KW(40HP )
극: 2P(2POLE)
RPM: 3600
전압: 440V
전류: 60HZ
보호등급: IP44
주위온도(AMB) 45℃
주요실적
남동발전(한국 전력 공기업)
포스코 그룹
한국타이어그룹
포스코케미칼
포스코피엠에스
다산기공(방위산업체)
케펠조선소(싱가포르: 세계 TOP 5 해양플랜트 개조/수리 조선소)
중국 WEIHAI AORUISI GENERAL EQUIPMENT
타사 메이커 호환 가능합니다
(제품사양에 따라 호환 제품은 달라질 수 있습니다)
예)효성, 하이젠, ABB, 지멘스 등 기타
타사메이커 호환 가능 제품사양
출력: 0.75kw/1hp - 160kw/214hp
취부타입: 수직형(Plange/Vertical : B5, V1), 수평형(Horizontal , B3)
극(Pole): 2/4/6/8P
모터 개조 제작 및 플랜지 교체 제작 가능합니다
예) 수평형(B3) --> 수평수직형(B3B5) 개조제작
예) 플랜지 교체 제작:
플랜지 P. C. D 215(표준제품 ) ---> 플랜지 P. C. D 165(플랜지 교체 제작 제품)
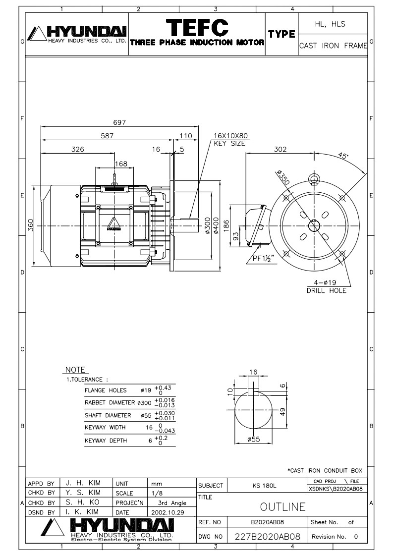
도면
선박용 모터 사양



선박용/ 육상용 모터(0.75KW - 160KW / 1HP - 214HP, 380/440V, 50/60HZ, 2/4/6/8P)
--> 수평형(Horizontal), 수직형(Plange/Vertical)

모터 창고 전경
선박용/ 육상용 모터(0.75KW - 160KW / 1HP - 214HP, 380/440V, 50/60HZ, 2/4/6/8P)
--> 수평형(Horizontal), 수직형(Plange/Vertical)

선박용/ 육상용 모터(0.75KW - 160KW / 1HP - 214HP, 380/440V, 50/60HZ, 2/4/6/8P)
--> 수평형(Horizontal), 수직형(Plange/Vertical)

선박용/ 육상용 모터(0.75KW - 160KW / 1HP - 214HP, 380/440V, 50/60HZ, 2/4/6/8P)
--> 수평형(Horizontal), 수직형(Plange/Vertical)


MROVIA
(선박/산업용 모터 호환모터 대체 모터 전문 기업)
연락처
전화: 051-903-1302
휴대폰: 010-9311-1302
이메일: sales@mrovia.com
엠알오비아(MROVIA) 선박/해양 플랫폼
엠알오비아(MROVIA) 선박 /해양 장비 쇼핑몰
※ 배송안내
1. 산간/도서 지역은 추가 배송료가 발생 할 수 있으며, 배송기간이 연장 될 수 있습니다.
2. 재고부족시 전화 또는 문자로 안내드리며, 배송기간이 변경 됩니다.
3. 화물배송을 원칙으로 하며, 경동, 대신화물로 배송해 드립니다.
(업체상황에 따라 배송업체가 변경 될 수 있습니다.)
4. 배송료 추가 발생 알림 : 화물배송(화물지점에서 찾는 화물 제비용) / 해외배송 / 도서산간 배송
※ 교환 및 반품정보
1. 상품의 교환 및 반품은 물품 수령 후 3일 이내에 신청 가능하며, 고객센터(A/S센터) 문의 후 진행 하시기 바랍니다.
2. 배송이 완료된 상품의 고객 변심에 의한 교환/반품인 경우 왕복배송비를 고객님께서 부담하셔야 합니다.
3. 상품불량이 아닌 단순 변심에 의한 교환 및 반품을 원하실 경우에는 박스개봉 및 사용을 금지합니다.
4. 상품 자체의 이상이 아닌 경우, 개봉/조립/사용/설치/기타 오염 등으로 인해 상품가치가 훼손된 때에는 교환/반품되지 않습니다.
(박스 훼손 상품 반품불가)
5. 상품 자체의 이상인 경우, 제조사의 사후처리 기준에 따라 교환/반품 처리해 드립니다.
6. 유료반송되는 상품의 반송료는 발송요금과 다르며 지역에 따라 차이가 날 수 있습니다.
7. 교환/반품/환불/추가배송료에 관해서는 반드시 고객센터(A/S센터) 문의 후 진행 하시기 바랍니다.
8. 모든 상품은 제품 향상을 위해 예고없이 색상이나 디자인이 변경 될 수 있습니다.

해외모터 완벽대체! 국산 모터
[주요 특징]
- ABB, Siemens, Nishishiba 등 해외 글로벌 브랜드 모터 100% 호환
- 국내 기술력으로 설계·제작된 믿을 수 있는 국산 모터 플랜지, 샤프트, 설치 규격까지 완벽 대응
- 해외 제품 대비 합리적인 가격, 빠른 납기
[왜 국산 대체품인가요?]
- 높은 호환성 기존 ABB, Siemens, 모터와 플랜지, 축, 취부 등 치수 표준 완전 일치
- 교체 시 별도의 추가 가공이나 설비 변경 불필요
- 탁월한 경제성과 가성비
- 해외 모터 대비 가격 경쟁력 확보
- 신속한 서비스 국내 제조·공급
[성공 교체 사례]
남동 발전 미쓰비시 모터 --> 국산 모터로 교체
추가 작업 불필요 교체 후 운전 성능, 내구성 모두 고객사 만족
글로벌 메이커 호환 모터 대체 모터
국산 모터 삼상유도전동기
효성 / 현대 / ABB / 지멘스 / 미쓰비씨 / YASKAWA / FUJI / HOYER /TMEIC / WEG / GE Allen-Bradley Emerson
기타 모터 메이커 호환
선박용 수직형 30KW 40HP 2P 440V
IP44 B5(V1) 플랜지형


연락처로 납기 확인 후 주문 바랍니다
연락처
전화: 051-903-1302
휴대폰: 010-9311-1302
email: sales@mrovia.com
엠알오비아 선박/해양 플랫폼
현대 모터
선박용
수직형(Vertical) / B5, V1
출력: 30KW(40HP )
극: 2P(2POLE)
RPM: 3600
전압: 440V
전류: 60HZ
보호등급: IP44
주위온도(AMB) 45℃
주요실적
남동발전(한국 전력 공기업)
포스코 그룹
한국타이어그룹
포스코케미칼
포스코피엠에스
다산기공(방위산업체)
케펠조선소(싱가포르: 세계 TOP 5 해양플랜트 개조/수리 조선소)
중국 WEIHAI AORUISI GENERAL EQUIPMENT
타사 메이커 호환 가능합니다
(제품사양에 따라 호환 제품은 달라질 수 있습니다)
예)효성, 하이젠, ABB, 지멘스 등 기타
타사메이커 호환 가능 제품사양
출력: 0.75kw/1hp - 160kw/214hp
취부타입: 수직형(Plange/Vertical : B5, V1), 수평형(Horizontal , B3)
극(Pole): 2/4/6/8P
모터 개조 제작 및 플랜지 교체 제작 가능합니다
예) 수평형(B3) --> 수평수직형(B3B5) 개조제작
예) 플랜지 교체 제작:
플랜지 P. C. D 215(표준제품 ) ---> 플랜지 P. C. D 165(플랜지 교체 제작 제품)
도면
선박용 모터 사양



선박용/ 육상용 모터(0.75KW - 160KW / 1HP - 214HP, 380/440V, 50/60HZ, 2/4/6/8P)
--> 수평형(Horizontal), 수직형(Plange/Vertical)

모터 창고 전경
선박용/ 육상용 모터(0.75KW - 160KW / 1HP - 214HP, 380/440V, 50/60HZ, 2/4/6/8P)
--> 수평형(Horizontal), 수직형(Plange/Vertical)

선박용/ 육상용 모터(0.75KW - 160KW / 1HP - 214HP, 380/440V, 50/60HZ, 2/4/6/8P)
--> 수평형(Horizontal), 수직형(Plange/Vertical)

선박용/ 육상용 모터(0.75KW - 160KW / 1HP - 214HP, 380/440V, 50/60HZ, 2/4/6/8P)
--> 수평형(Horizontal), 수직형(Plange/Vertical)


MROVIA
(선박/산업용 모터 호환모터 대체 모터 전문 기업)
연락처
전화: 051-903-1302
휴대폰: 010-9311-1302
이메일: sales@mrovia.com
엠알오비아(MROVIA) 선박/해양 플랫폼
엠알오비아(MROVIA) 선박 /해양 장비 쇼핑몰
※ 배송안내
1. 산간/도서 지역은 추가 배송료가 발생 할 수 있으며, 배송기간이 연장 될 수 있습니다.
2. 재고부족시 전화 또는 문자로 안내드리며, 배송기간이 변경 됩니다.
3. 화물배송을 원칙으로 하며, 경동, 대신화물로 배송해 드립니다.
(업체상황에 따라 배송업체가 변경 될 수 있습니다.)
4. 배송료 추가 발생 알림 : 화물배송(화물지점에서 찾는 화물 제비용) / 해외배송 / 도서산간 배송
※ 교환 및 반품정보
1. 상품의 교환 및 반품은 물품 수령 후 3일 이내에 신청 가능하며, 고객센터(A/S센터) 문의 후 진행 하시기 바랍니다.
2. 배송이 완료된 상품의 고객 변심에 의한 교환/반품인 경우 왕복배송비를 고객님께서 부담하셔야 합니다.
3. 상품불량이 아닌 단순 변심에 의한 교환 및 반품을 원하실 경우에는 박스개봉 및 사용을 금지합니다.
4. 상품 자체의 이상이 아닌 경우, 개봉/조립/사용/설치/기타 오염 등으로 인해 상품가치가 훼손된 때에는 교환/반품되지 않습니다.
(박스 훼손 상품 반품불가)
5. 상품 자체의 이상인 경우, 제조사의 사후처리 기준에 따라 교환/반품 처리해 드립니다.
6. 유료반송되는 상품의 반송료는 발송요금과 다르며 지역에 따라 차이가 날 수 있습니다.
7. 교환/반품/환불/추가배송료에 관해서는 반드시 고객센터(A/S센터) 문의 후 진행 하시기 바랍니다.
8. 모든 상품은 제품 향상을 위해 예고없이 색상이나 디자인이 변경 될 수 있습니다.

